Este circuito se obtuvo de una documentación estadounidense de 1976. El circuito se puede adaptar a los componentes TTL modernos y usarse como un shield.

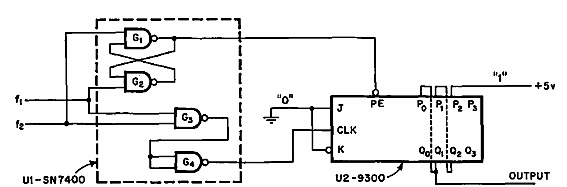
Comparador de fase variable
Este circuito se obtuvo de una documentación estadounidense de 1976. El circuito se puede adaptar a los componentes TTL modernos y usarse como un shield.
