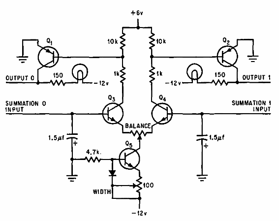
Este circuito compara las tensiones de las dos entradas que dan como salida 0 o 1 de acuerdo con la salida que tiene un voltaje más alto. El circuito tiene una definición de 0.05 V. Lo encontramos en una documentación de 1967. Se pueden usar transistores de uso común.

Unidad de decisión ternaria



