Este pequeño oscilador Hartley utiliza un transformador de salida para transistores. La frecuencia se ajusta en el potenciómetro. Lo encontramos en un manual de circuito de 1966.

Oscilador telégrafo
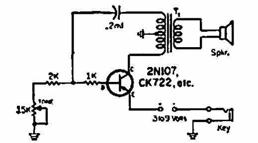
Este pequeño oscilador Hartley utiliza un transformador de salida para transistores. La frecuencia se ajusta en el potenciómetro. Lo encontramos en un manual de circuito de 1966.
