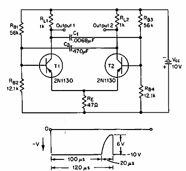
Este circuito es de una documentación de 1968. Genera una señal no simétrica con la forma de onda que se muestra al lado del diagrama. Los transistores son de la época, pero se pueden usar equivalentes modernos.

Astable no simétrico
Este circuito es de una documentación de 1968. Genera una señal no simétrica con la forma de onda que se muestra al lado del diagrama. Los transistores son de la época, pero se pueden usar equivalentes modernos.
