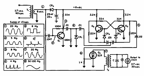
Este circuito divide la frecuencia de la red de 60 Hz para obtener 20 Hz para controlar los relojes mecánicos utilizados en la época. El circuito es de una revista CQ de 1970.

Reloj de 24 horas
Este circuito divide la frecuencia de la red de 60 Hz para obtener 20 Hz para controlar los relojes mecánicos utilizados en la época. El circuito es de una revista CQ de 1970.
