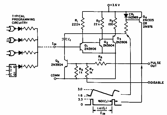
Este circuito se encontró en una documentación de los Estados Unidos de 1969. Proporciona una señal que puede programarse externamente como circuitos sugeridos. El circuito se puede usar como shield.

Reloj programable de 2 a 10,000 Hz
Este circuito se encontró en una documentación de los Estados Unidos de 1969. Proporciona una señal que puede programarse externamente como circuitos sugeridos. El circuito se puede usar como shield.
