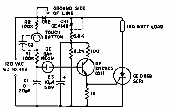
Este circuito se obtuvo de un manual de General Electric de 1967. El circuito usa componentes de la época, pero se pueden usar equivalentes, por ejemplo, un BC547 para el transistor y un TIC106 para el SCR.

Interruptor de proximidad
Este circuito se obtuvo de un manual de General Electric de 1967. El circuito usa componentes de la época, pero se pueden usar equivalentes, por ejemplo, un BC547 para el transistor y un TIC106 para el SCR.
