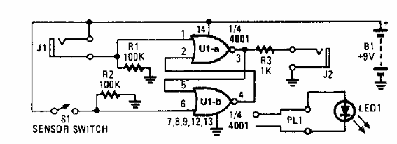
Este circuito simplemente dispara un LED cuando el sensor está activado. El circuito es de una Popular Electronics de los años 90.

Alarma silenciosa
Este circuito simplemente dispara un LED cuando el sensor está activado. El circuito es de una Popular Electronics de los años 90.
