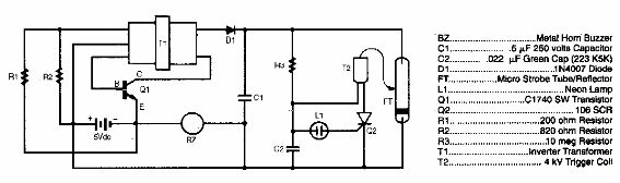
Este circuito es de un Hobbyst Handbok de 1991. El circuito utiliza un pequeño transformador secundario de 6V para operar en un inversor de lámpara de xenón en miniatura.

Alarma antirrobo
Este circuito es de un Hobbyst Handbok de 1991. El circuito utiliza un pequeño transformador secundario de 6V para operar en un inversor de lámpara de xenón en miniatura.
