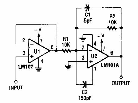
Este circuito con alta impedancia de entrada se encontró en una Popular Electronics de los años 90. El circuito admite operacionales modernos.

Amplificador inversor
Este circuito con alta impedancia de entrada se encontró en una Popular Electronics de los años 90. El circuito admite operacionales modernos.
