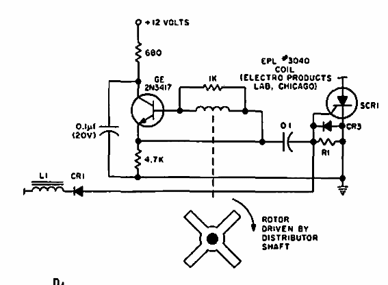
Este circuito se obtuvo de la documentación de 1967. Utiliza un sensor para determinar el punto de activación. Los componentes son de la época, con dificultad para obtener.

Encendido sin contactos
Este circuito se obtuvo de la documentación de 1967. Utiliza un sensor para determinar el punto de activación. Los componentes son de la época, con dificultad para obtener.
