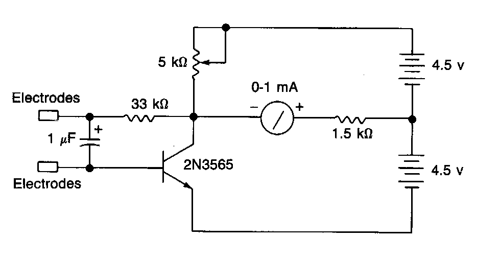
Este circuito es de un boletín técnico de los años 80. El circuito puede usar cualquier transistor de propósito general y su fuente de alimentación se puede cambiar con un divisor resistivo para usar una sola batería de 9V.

 

Detector de mentiras
Detector de mentiras | Haga click en la imagen para ampliar |