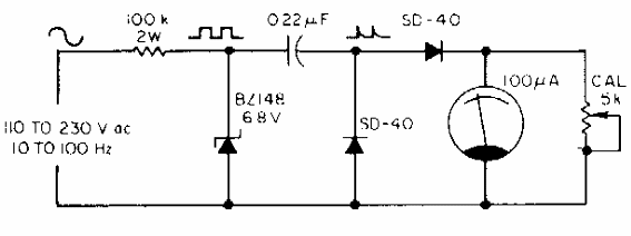
Este circuito simple se puede utilizar tanto en la red eléctrica de 110 V como en la de 220 V. Lo encontramos en una Electronic Design de los años 80. Después de la calibración, el circuito lee directamente la frecuencia de la red.

Medidor de frecuencia para red



