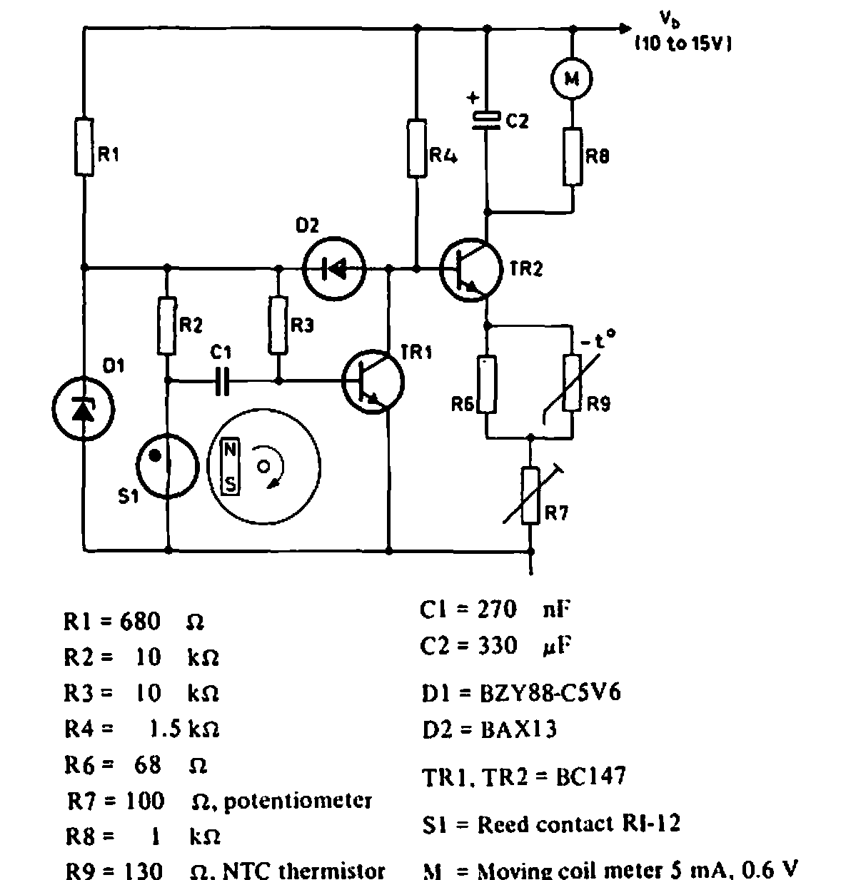
Este circuito se encontró en una documentación holandesa de 1970. El circuito utiliza semiconductores que tienen equivalentes actuales y tiene por indicador un miliamperímetro de 0-5 mA.
Encontramos este circuito para una fuente de alimentación simétrica en una revista Electronics Now de agosto...
Este circuito se encontró en una EEE de 1968 y se puede implementar con cualquier transistor de...
Este circuito simple para monitorear la frecuencia de la red eléctrica utiliza un indicador...