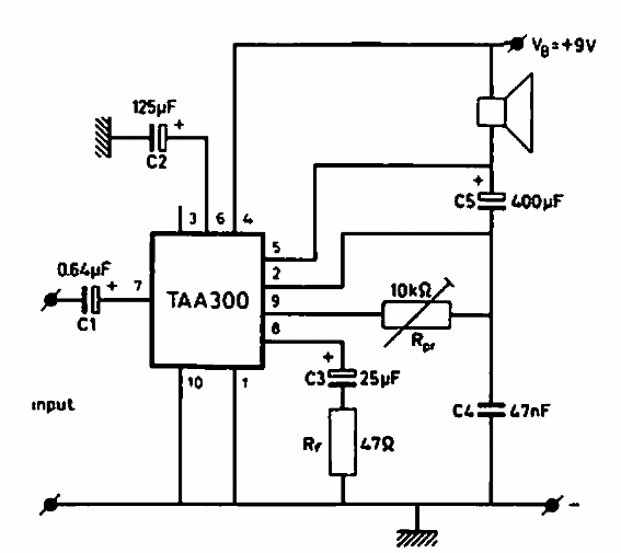
El circuito integrado TAA300 no es común hoy en día. De hecho, el circuito que se muestra es de una documentación holandesa de Philips de 1969. La salida es de 8 ohms y 9 V de potencia.

Amplificador 1 W
El circuito integrado TAA300 no es común hoy en día. De hecho, el circuito que se muestra es de una documentación holandesa de Philips de 1969. La salida es de 8 ohms y 9 V de potencia.
