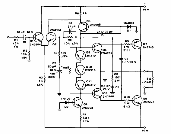
Para una carga de 8 ohms la potencia es de 10 W, este circuito de Motorola se encontró en una documentación de 1968. Los transistores son de la época y la fuente de alimentación debe ser simétrica.

Amplificador 10 W
Para una carga de 8 ohms la potencia es de 10 W, este circuito de Motorola se encontró en una documentación de 1968. Los transistores son de la época y la fuente de alimentación debe ser simétrica.
