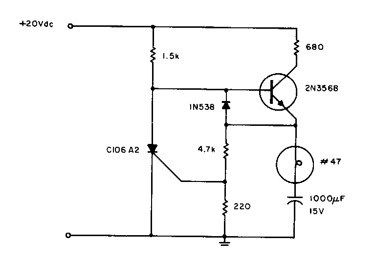
Este oscilador de relajación SCR se encontró en una Electronic Design de los años 80. Parpadea una pequeña lámpara incandescente en frecuencia que depende del capacitor.
Con pocos resistores podemos obtener muchos valores para experiencias, cambiando la manera de hacer...
El circuito que se presenta es muy simple, pero puede generar señales de 100 kHz a 10 MHz,...
La finalidad de esta experiencia muy simple es mostrar que una corriente eléctrica transporta energía...