Este circuito, que aparece en otros momentos en este sitio, tiene esta versión obtenida en un Hands On de los años 80. Puede controlar la frecuencia conectando un potenciómetro de 100k en serie con R3.

Intermitente alterno
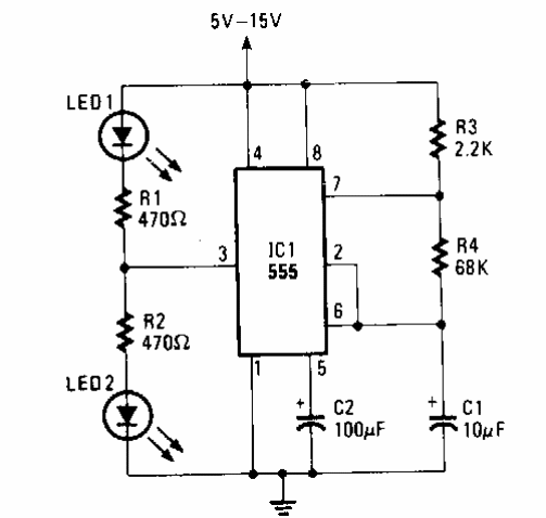
Este circuito, que aparece en otros momentos en este sitio, tiene esta versión obtenida en un Hands On de los años 80. Puede controlar la frecuencia conectando un potenciómetro de 100k en serie con R3.
