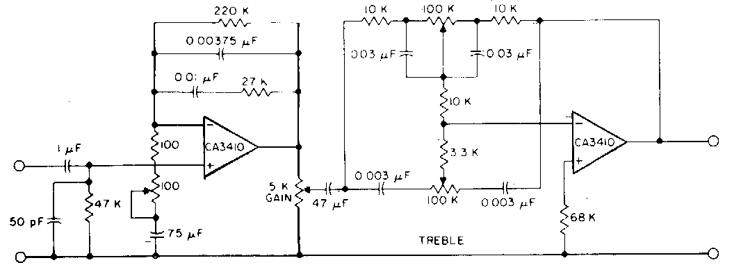
Este circuito con ecualización RIAA es de una documentación estadounidense de 1985. El circuito tiene una respuesta plana de 150 Hz a 40 kHz. La fuente de alimentación debe ser simétrica.

 

Preamplificador estéreo
Preamplificador estéreo | Haga click en la imagen para ampliar |