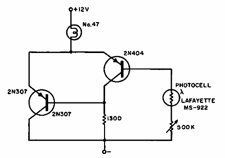
Este circuito se encontró en una Electronic Design de 1964 para indicar cuándo se quema una bombilla del faro. Los transistores pueden ser equivalentes al tiempo y, en lugar de la lámpara, se puede usar un LED con un resistor de 1k en serie.

Indicador de lámpara quemada



