El capacitor es uno de los componentes más importantes de los circuitos electrónicos. Este componente se utiliza en prácticamente todos los montajes electrónicos. Como capacitores pueden presentar defectos, todo técnico, estudiante o aficionado de electrónica necesita saber cómo probarlo. Describimos, entonces, un útil instrumento para la prueba simple de un capacitor con valor a partir de aproximadamente 500 pF.
Un capacitor será bueno cuando las conexiones de las terminales, hasta las armaduras, estén perfectas (sin interrupción), y cuando no haya ningún tipo de contacto entre las armaduras.
Un capacitor tendrá fugas cuando existe una resistencia entre las armaduras que permita la circulación de una pequeña corriente.
Hay varias formas de probar un capacitor como, por ejemplo, verificándose su continuidad, es decir, se pasa corriente entre las armaduras, o aún la carga, cargando el componente y verificándose si él sostiene la carga.
La prueba que proponemos a los lectores es diferente. Se trata de una prueba dinámica en la que verificamos si el condensador tiene sus propiedades normales en un circuito.
Así, si el capacitor está bien, el circuito funciona. Si no está, el circuito no funciona.
Y, más allá, el capacitor influye en el funcionamiento de un modo fácilmente perceptible, de modo que podemos todavía tener una idea del valor de ese componente.
Lo que hacemos, entonces, es un oscilador cuya frecuencia audible depende del capacitor que está siendo probado.
Como funciona
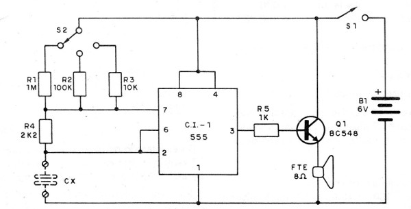
Lo que tenemos es simplemente un oscilador de audio en el que la frecuencia depende del valor de Cx, que es el capacitor en prueba.
La frecuencia de operación será dada por: f = 1,44 / ((R1 + 2R2) CX).
Donde:
R1 es el resistor seleccionado por la clave S2 en el diagrama principal, y R2 es R4 en el diagrama principal.
Hay valores límite para todos los componentes, pero en nuestro caso interesa el valor mínimo de Cx que permite que el circuito oscile en un rango audible.
El límite teórico es de 500 pF, lo que significa que ese es el menor capacitor que podemos probar.
Las resistencias seleccionadas pata clave permiten llevar la frecuencia a un valor que podamos oír durante la prueba.
Así, con menores capacitores en prueba, colocamos la llave en las posiciones que colocan mayores resistores, de lo contrario el sonido caerá fuera de la banda que podemos oír y habrá una falsa interpretación del estado del capacitor.
La salida del oscilador es amplificada por un transistor que la aplica a un altavoz donde se produce la reproducción.
La alimentación del circuito se realiza con una tensión de 6 V proveniente de 4 pilas pequeñas.
En ausencia de capacitor en prueba cuando el circuito no oscila, el consumo de corriente es muy pequeño.
Como el aparato consume energía mayor sólo durante la prueba, la duración de las pilas será muy grande.
Montaje
En la figura 1 tenemos el diagrama completo del aparato.

El montaje debe realizarse en una placa de circuito impreso, ya que se utiliza un circuito integrado del tipo 555. El dibujo de esta placa se muestra en la figura 2.

Al realizar el montaje, los cuidados son los normales con la polaridad de las pilas, valores y posiciones de componentes.
El altavoz puede ser de cualquier tamaño de 8 ohms, dando preferencia a los pequeños para que la unidad sea muy compacta.
La llave S2 es rotativa de 1 polo x 3 posiciones. Si el lector no encuentra este tipo, puede utilizar tres interruptores simples, o bien una llave de 2 polos x 3 o 4 posiciones, usando sólo los polos y las posiciones necesarias.
En la posición A, donde tenemos el resistor R1, la banda va de 500 pF a 10 nF; en la posición B, en la que tenemos R2, la banda va de 10 nF a 470 nF, y en la banda C, donde tenemos R3, de 47onF hasta 1.000 pF.
Al finalizar el montaje, el lector puede inmediatamente probar el funcionamiento.
Prueba y uso
Coloque las pilas en el soporte y accione S1. Conecte, entre las garras de prueba, un capacitor Cx de cualquier valor en el rango alcanzado por el probador.
Ajuste S2 de acuerdo con el valor. El aparato debe emitir un sonido, cuya frecuencia dependerá del valor del capacitor.
Si no se emite ningún sonido, es porque el capacitor se encuentra con problemas.
Para comparar valores, basta colocar los dos capacitores, uno a la vez, en el circuito. Lo que produce sonido más grave es el de mayor capacitancia.
Lista de materiales
CI-1 - 555 - circuito integrado temporizador
Q1 - BC548 o equivalente - transistores NPN
FTE - altavoz de 8 ohmios pequeño
B1 - 4 pilas pequeñas
S1 - Interruptor simple
S2 - Llave de 1 polo x 3 posiciones rotativas
R1 - 1 M x 1/8 W ~ resistor (marrón, negro, verde)
R2 - 100 k x 1/8 W - resistor (marrón, negro, amarillo)
R3 - 10 k x 1/8 W - resistor (marrón, negro, naranja)
R4 - 2k2 x 1/8 W.- resistor (rojo, rojo, rojo)
R5 - 1 k x 1/8 W - resistor (marrón, negro, rojo)
Varios: soporte para 4 pilas pequeñas, placa y circuito impreso, caja para montaje, garras jacaré, hilos, soldadura, etc.



