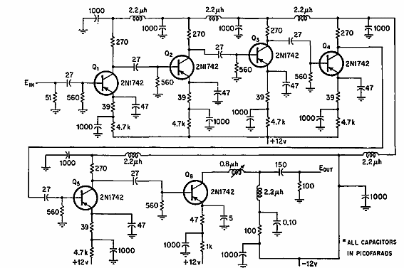
Este circuito limitador proporciona una señal de amplitud constante a frecuencias de hasta 100 MHz. El circuito funciona con señales de entrada de 9 mV y se encontró en una documentación de los Estados Unidos de 1969.

Limitador de salida constante
Este circuito limitador proporciona una señal de amplitud constante a frecuencias de hasta 100 MHz. El circuito funciona con señales de entrada de 9 mV y se encontró en una documentación de los Estados Unidos de 1969.
