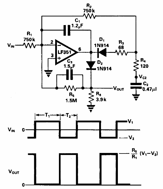
Este circuito de clamping con operacional se encontró en una documentación estadounidense de la década de 1980. La fuente debe ser simétrica y las formas de onda de la señal se dan a lo largo del diagrama.

Limitador
Este circuito de clamping con operacional se encontró en una documentación estadounidense de la década de 1980. La fuente debe ser simétrica y las formas de onda de la señal se dan a lo largo del diagrama.
