Encontramos este circuito en una documentación de Mullard de 1969. La misma configuración aparece en otra parte de esta sección. El rango de control es de -2 dB a 19.5 dB a 30 Hz.

Control de tono activo
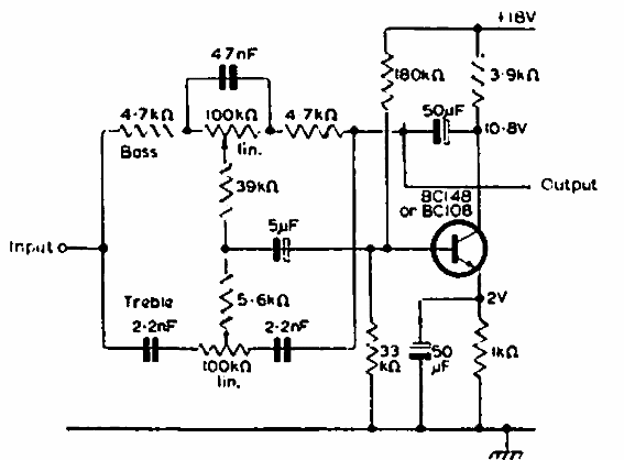
Encontramos este circuito en una documentación de Mullard de 1969. La misma configuración aparece en otra parte de esta sección. El rango de control es de -2 dB a 19.5 dB a 30 Hz.
