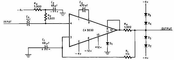
Este circuito se encontró en una documentación RCA de 1968. El circuito puede diseñarse con operacionales equivalentes. Las señales de entrada pueden tener una amplitud de hasta 6 V y la limitación es de 78 dB.

Limitador de rango dinámico de 70 dB
Este circuito se encontró en una documentación RCA de 1968. El circuito puede diseñarse con operacionales equivalentes. Las señales de entrada pueden tener una amplitud de hasta 6 V y la limitación es de 78 dB.
