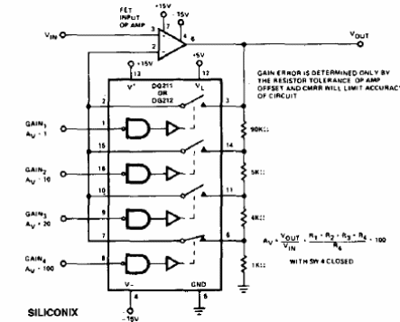
Este circuito se obtuvo de la documentación de Siliconix de los años 80. El circuito se puede usar como un shieldy su ganancia se controla digitalmente. La alimentación es simétrica a 15 V, pero se puede utilizar un operacional de tensión de funcionamiento más baja.

Amplificador con ganancia programada



