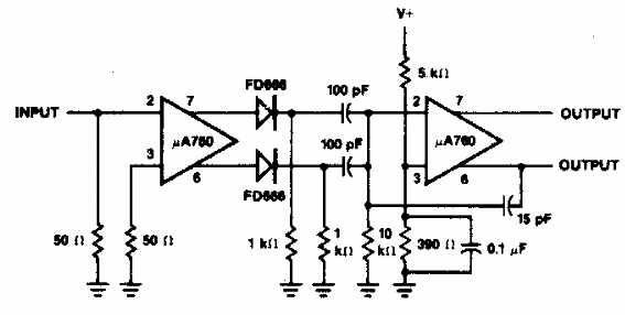
Este tipo de circuito, que se encuentra en una documentación estadounidense de la década de 1980, dispara la producción de pulsos de salida cuando la tensión de entrada pasa por cero. El circuito puede funcionar a frecuencias de 300 Hz a 3 MHz y la tensión de entrada máxima es de 20 mV.

Detector de paso cero



