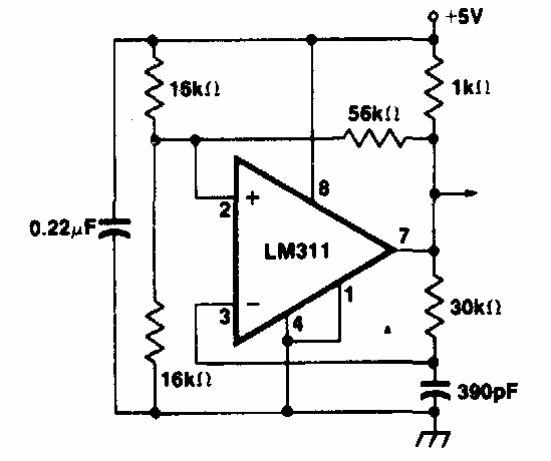
Este circuito utiliza una operacional antiguo para generar señales de clock que dependen del valor del capacitor. Los resistores pueden tener valores estándar actuales.

Clock TTL LM311
Este circuito utiliza una operacional antiguo para generar señales de clock que dependen del valor del capacitor. Los resistores pueden tener valores estándar actuales.
