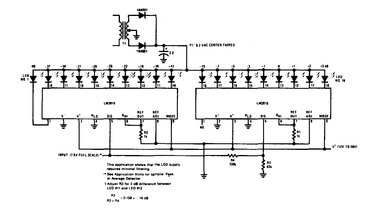
Este circuito es del manual del circuito integrado en sí. Versiones similares aparecen en este sitio e incluso en esta sección. Se dan elementos para los cálculos de componentes.

 

Medidor de VU extendido con el LM3915
Medidor de VU extendido con el LM3915 | Haga click en la imagen para ampliar |