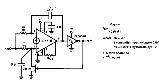
Este circuito utiliza un amplificador operacional de los años 80. El circuito puede implementarse con operacionales modernos de transconductancia y lógica TTL que actúa como un shield.

Oscilador controlado por tensión 2
Este circuito utiliza un amplificador operacional de los años 80. El circuito puede implementarse con operacionales modernos de transconductancia y lógica TTL que actúa como un shield.
