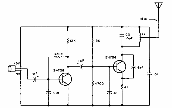
Este pequeño transmisor FM se encontró en una documentación estadounidense de la década de 1980. La bobina tiene 4 + 4 bucles de hilo sin núcleo de 28 cm o 26 cm de diámetro. El micrófono es de 3 terminales electreto.

Transmisor simple de FM
Este pequeño transmisor FM se encontró en una documentación estadounidense de la década de 1980. La bobina tiene 4 + 4 bucles de hilo sin núcleo de 28 cm o 26 cm de diámetro. El micrófono es de 3 terminales electreto.
