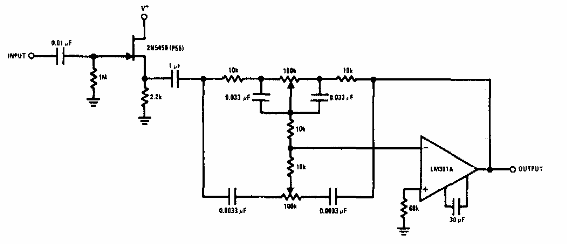
Este circuito tiene una alta impedancia de entrada. El FET admite tanto el amplificador operacional como el equivalente. El circuito es de una documentación de los 80, que requiere una fuente simétrica.

Control de tono de alta impedancia
Este circuito tiene una alta impedancia de entrada. El FET admite tanto el amplificador operacional como el equivalente. El circuito es de una documentación de los 80, que requiere una fuente simétrica.
