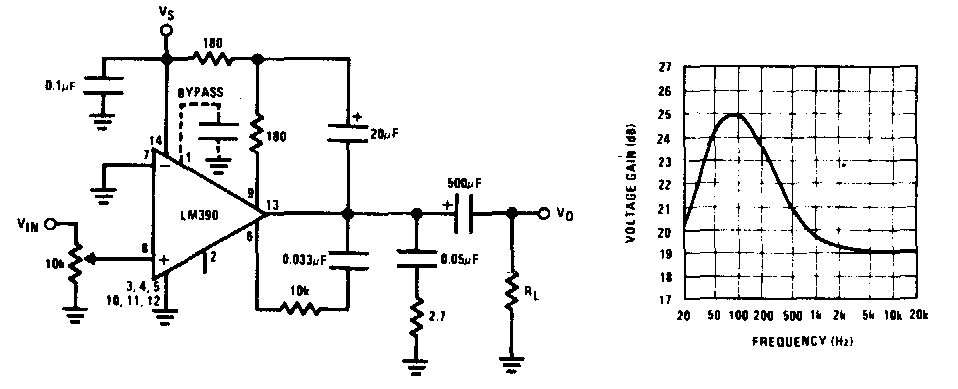
Este circuito utiliza un funcionamiento de los años 80. La curva de refuerzo de bajos se muestra junto a los componentes. El componente utilizado es poco común hoy en día.
La finalidad de este circuito es generar una señal que puede ser captada entre los canales 2 y 5...
Presentamos un amplificador realmente bueno que proporciona una potencia de 5 W RMS (o 7 W de...
El simple cargador que describimos sirve para pilas AA y también AAA, y del tipo aprovechado de packs de...