Encontramos este circuito en una documentación de la década de 1980. Se pueden usar componentes equivalentes. El circuito detecta temperaturas en el rango de 0 a 50º C y utiliza un transistor como sensor.

Sensor de temperatura de 4 canales
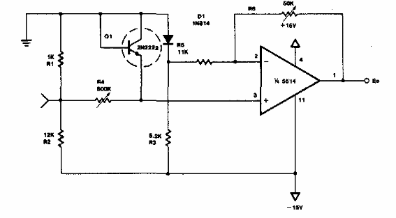
Encontramos este circuito en una documentación de la década de 1980. Se pueden usar componentes equivalentes. El circuito detecta temperaturas en el rango de 0 a 50º C y utiliza un transistor como sensor.
