En la figura tenemos un temporizador simple con dos comparadores de tensión de los cuatro de un LM339. El circuito puede controlar cargas más altas con un paso de transistor adicional.

Temporizador
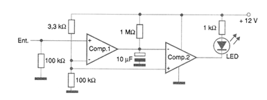
En la figura tenemos un temporizador simple con dos comparadores de tensión de los cuatro de un LM339. El circuito puede controlar cargas más altas con un paso de transistor adicional.
