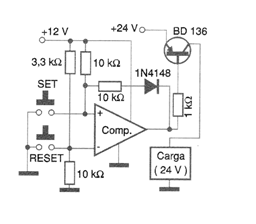
Este biestable puede usar un comparador de tensión común como el LM339 y la alimentación depende de la carga, que puede ser un relé. También se puede usar un operacional común.

Biestable con comparador
Este biestable puede usar un comparador de tensión común como el LM339 y la alimentación depende de la carga, que puede ser un relé. También se puede usar un operacional común.
