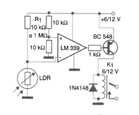
Este circuito funciona opuesto al anterior y acciona un relé como carga. El relé debe tener tensión de acuerdo con la fuente de alimentación. Un operacional común también se puede utilizar en lugar del comparador.

Sensor de luz 2
Este circuito funciona opuesto al anterior y acciona un relé como carga. El relé debe tener tensión de acuerdo con la fuente de alimentación. Un operacional común también se puede utilizar en lugar del comparador.
