Este circuito puede usar cualquier comparador o incluso uno operacional. Podemos usar el LM339 y el valor de R1 determina la sensibilidad. Se puede utilizar un potenciómetro de 1M en su lugar.

Sensor de luz
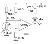
Este circuito puede usar cualquier comparador o incluso uno operacional. Podemos usar el LM339 y el valor de R1 determina la sensibilidad. Se puede utilizar un potenciómetro de 1M en su lugar.
