B
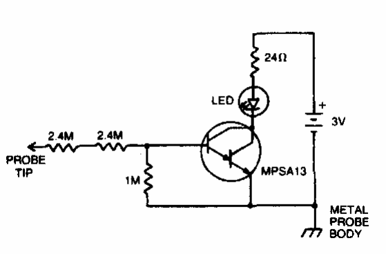
Este circuito sensible detecta el polo vivo de una red eléctrica o toma de corriente. El circuito utiliza un transistor de alta ganancia y tiene un aislamiento muy alto de la resistencia base.

Búsqueda de polo
B
Este circuito sensible detecta el polo vivo de una red eléctrica o toma de corriente. El circuito utiliza un transistor de alta ganancia y tiene un aislamiento muy alto de la resistencia base.
