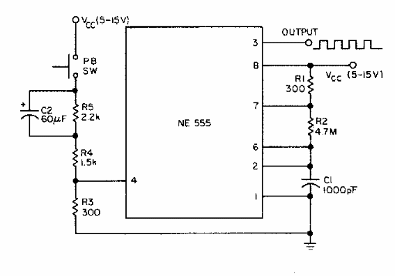
Este circuito utiliza un 555 (de acuerdo con el diagrama) para generar 50 ms de salvas de tono a una frecuencia de 1.5 kHz. El circuito es de un diseño electrónico de los años 80.

Generador de tonos de salta
Este circuito utiliza un 555 (de acuerdo con el diagrama) para generar 50 ms de salvas de tono a una frecuencia de 1.5 kHz. El circuito es de un diseño electrónico de los años 80.
