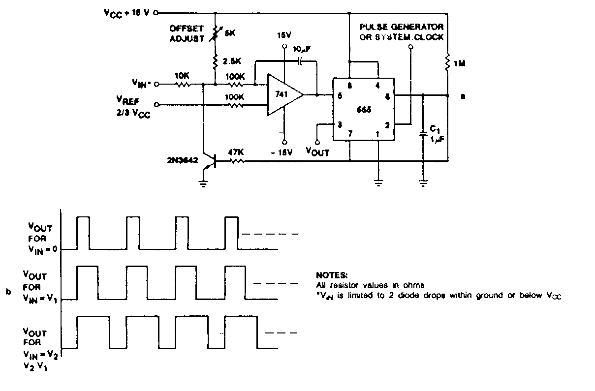
Este circuito se encontró en una documentación de Signetics de la década de 1980. Junto a la figura están las formas de onda de las señales generadas. El transistor admite equivalente.

 

Convertidor de tensión a duración de pulso
Convertidor de tensión a duración de pulso | Haga click en la imagen para ampliar |