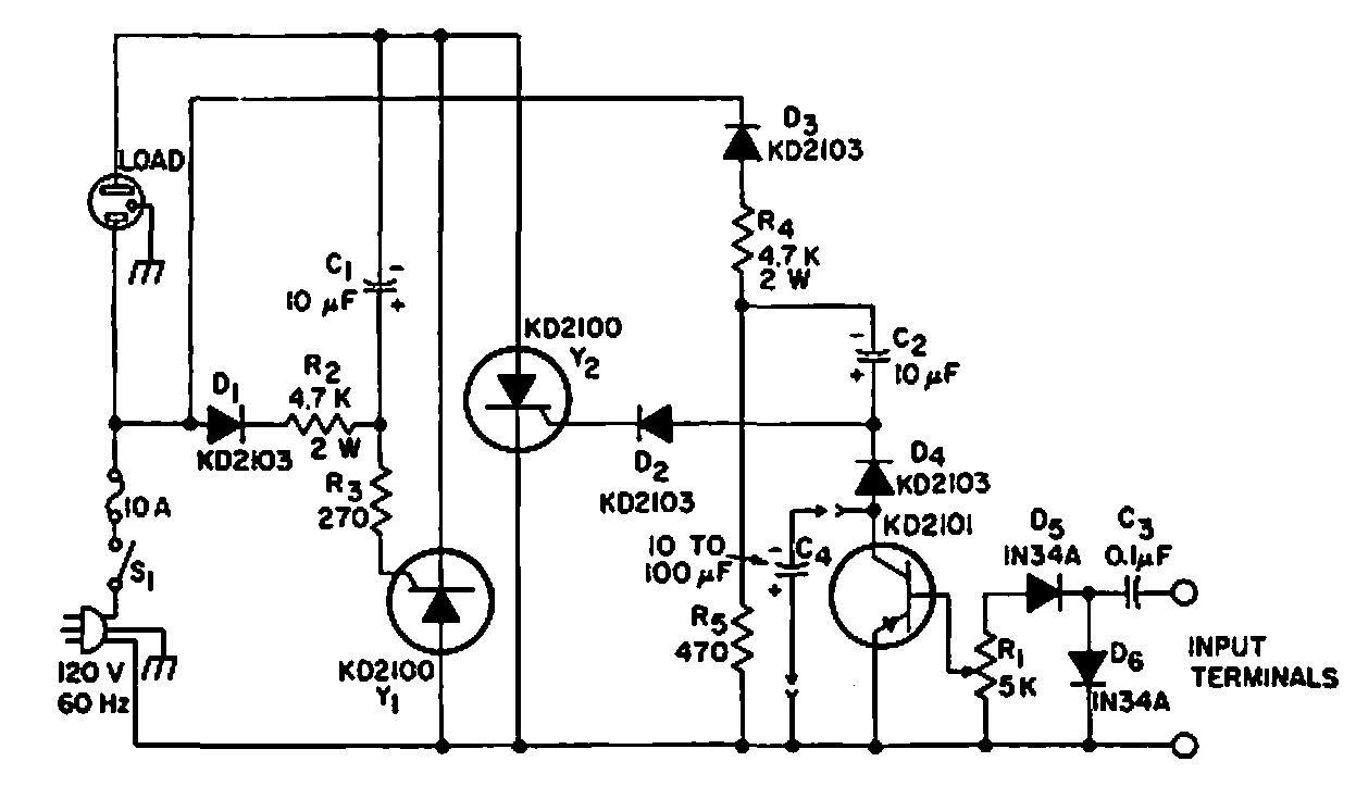
Este circuito es de una documentación RCA de 1967. Los componentes se pueden reemplazar con equivalentes modernos. El circuito se dispara con señales de sensores conectados a su entrada. El circuito necesita al menos señales de 1 V en la entrada.
Este circuito es de una documentación RCA de 1967. Los componentes se pueden reemplazar con equivalentes modernos. El circuito se dispara con señales de sensores conectados a su entrada. El circuito necesita al menos señales de 1 V en la entrada.