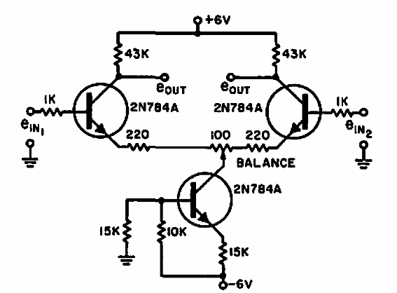
Este amplificador diferencial, encontrado en una Electronic Design de 1964, tiene una ganancia de 30. El ajuste se puede aplicar a los transistores equivalentes modernos.

Par diferencial
Este amplificador diferencial, encontrado en una Electronic Design de 1964, tiene una ganancia de 30. El ajuste se puede aplicar a los transistores equivalentes modernos.
