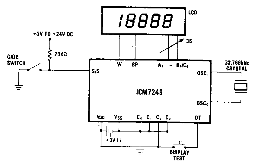
Este circuito puede usarse como un sistema de contraseña de respuesta en una tienda, oficina u otra ubicación. El circuito es de Intersil utilizando componentes de la época. El circuito es de los años 80.

 

Mostrador de servicio al cliente
Mostrador de servicio al cliente | Haga click en la imagen para ampliar |