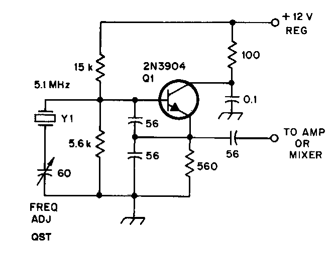
Este circuito de 5,1 MHz se encontró en una documentación de la década de 1980. La frecuencia viene dada por el cristal y los transistores son de propósito general.
Este circuito procesa la señal de audio que corresponde a una palabra para que sea más apropiado...
Este circuito fue encontrado en una Ingeniería Electrónica de los años 80. El circuito utiliza...
Encontramos este circuito en una Electronic Design de 1964. Los componentes son de esa época, pero el...