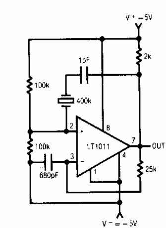
Este circuito de tecnología lineal se encontró en una documentación de la década de 1980. El circuito puede oscilar hasta unos pocos cientos de kHz y requiere una fuente de alimentación simétrica.

Oscilador de cristal
Este circuito de tecnología lineal se encontró en una documentación de la década de 1980. El circuito puede oscilar hasta unos pocos cientos de kHz y requiere una fuente de alimentación simétrica.
