Esta configuración se encontró en una revista inglesa de 1965. Es válida para cualquier cruce FET. La impedancia de entrada es 5.5 M ohms más alta que los pasos convencionales.

Seguidor de fuente con Bootstrap
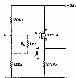
Esta configuración se encontró en una revista inglesa de 1965. Es válida para cualquier cruce FET. La impedancia de entrada es 5.5 M ohms más alta que los pasos convencionales.
