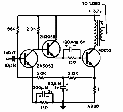
Este circuito es de una Electronic Design de 1968. Las características del transformador de salida no se dan y los transistores son de la época. El circuito proporciona una potencia de unos pocos watts.

Paso de potencia para 12 V
Este circuito es de una Electronic Design de 1968. Las características del transformador de salida no se dan y los transistores son de la época. El circuito proporciona una potencia de unos pocos watts.
