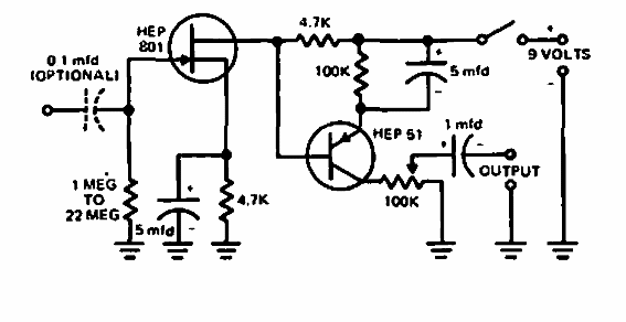
Este pequeño circuito amplificador de señal se encontró en la documentación de Motorola de 1969. El FET y el transistor pueden ser de cualquier tipo y batería, ya que el consumo es muy bajo.

Paso de amplificación
Este pequeño circuito amplificador de señal se encontró en la documentación de Motorola de 1969. El FET y el transistor pueden ser de cualquier tipo y batería, ya que el consumo es muy bajo.
