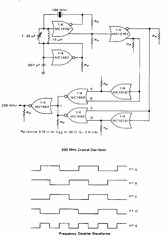
Este circuito Motorola de los 80 puede generar señales de 100 MHz, pero pueden alcanzar los 200 MHz con el circuito doblador. Las formas de onda de las señales se dan al lado del diagrama.

Oscilador de 100 MHz
Este circuito Motorola de los 80 puede generar señales de 100 MHz, pero pueden alcanzar los 200 MHz con el circuito doblador. Las formas de onda de las señales se dan al lado del diagrama.
